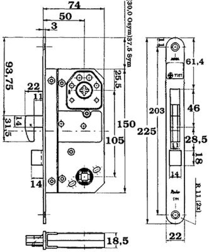
Produktegenskaper för godkänt cylinderlåshus ASSA 7787
- Låshus för entredörrar, skjutdörrar, arkiv, förråd mm.
- Denna typ av lås är avsett att beslås med rund dubbelcylinder, alternativt rund enkelcylinder med magnetvred på insidan.
- Uppfyller krav enligt Svensk Standard SS 3522, klass 3, utgåva 4 TR29
- Ingår i av försäkringsbolag godkänd låsenhet
- Härdad och tvångsstyrd hakregel.
- Vändbart tryckesfall för alternativ dörrhängning.
Ger ett kopplande förband mellan dörr och karm.
Tryckesfall av stål för brandklassade dörrar.
Dorndjup: 50 mm
- Kan erhållas med inbyggs mikrobrytare
- Rekommenderade slutbleck: ASSA 1887-1 till 1887-5
Funktion
- Regeln låses ut och in med nyckel eller magnetvredcylinder.
- Förreglas automatiskt vid 360° grader nyckelvridning.
- Ska beslås med dubbla runda cylindrar för bibehållen säkerhetsklass.
- Används ett godkänt extra lås rekommenderar ASSA att ett magnetvred används på huvudlåset för upplåsning från insidan.
- För trädörrar tillkommer ett godkänt förstärkningsbehör.
- Godkännande
- Ja
- Standarder
- SSF 3522 - Dörrlås
- Låsklass
- SSF - Svenska Stöldskyddsföreningen (Sverige)
- Garanti